您好,欢迎光临深圳市东强精密科技有限公司!
中文版
|
English
首页
关于东强
东强简介
组织架构
企业荣誉
发展历史
企业参观
董事长致辞
社会责任
产品展示
轻触开关系列
车载开关
防水开关系列
光纤端子系列
红外线接收头系列
拨动开关系列
按键开关
耳机插座系列
新闻中心
公司新闻
行业资讯
客户服务
销售网络
客户留言
招贤纳士
人才策略
招聘信息
联系我们
联系方式
公司地图
产品分类
Categories
轻触开关系列
车载开关
防水开关系列
光纤端子系列
红外线接收头系列
拨动开关系列
按键开关
耳机插座系列
DC 插座系列
SCART插座系列
RCA同芯插座
其它系列
TS-1001
TS-1002
当前位置:
首页
>
产品展示
> 光纤端子系列
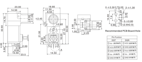
光纤端子系列
DQT(R)-008
详细介绍
上一篇:
DQT-007
[2015-05-25]
下一篇:
DQT(R)-008A
[2015-05-25]
返回